Specifications
All specifications are subject to change without notice.
LI-8250 Multiplexer
General
Dimensions: 38.5 cm L × 52 cm W × 18.5 cm H
Weight: 7.7 kg
Sample Volume: 35 cm3
Weatherproof Rating: Tested to IEC IP55 standard
Operating Range
Temperature: -20 to 45 °C
Humidity: 0 to 95% RH, non-condensing
User Data Storage: 8 GB total non-volatile
GPS: Accuracy 2.5 m CEP
Coverage Area
Maximum radius from LI-8250 to chambers: 15.0 m with one cable assembly or 30.0 m with an extension manifold and two cable assemblies
Maximum diameter of measurement circle: 30.0 m with two cable assemblies or 60.0 m with two extension manifolds and four cable assemblies.
Plumbing
Flow rate to/from chambers: ~2 to 3 lpm
Pump type: Diaphragm (pumps in the analyzers subsample air stream in the LI-8250)
Barometric Pressure Sensor
Measurement Range: 20 to 110 kPa
Sensor Accuracy: ±0.4 kPa from 50 to 110 kPa
Resolution: 0.006 kPa
Communication
Seven LED Indicators: Power, Ready, Ethernet activity (3), USB activity (2)
Connectivity: Three Ethernet Ports, Wi-Fi (not available in some countries)
Wi-Fi Compatibility: 2.4 GHz, 802.11 a/b/g/n/ac
Connectivity Ports:
One sealed and strain-relieved USB-A: For connection to LI-870 CO2/H2O Analyzer
Two standard, internal USB-A: For USB mass storage (file transfer) or a country-specific Wi-Fi adapter.
Three sealed and strain-relieved RJ-45 Ethernet: For connection to LI-COR LI-78xx Trace Gas Analyzers, network, or cellular modem. Connectors also accept standard, non-sealed RJ-45 Ethernet cables for lab use.
Output Port Connector: Full-duplex RS-422 communication, 115,200 baud, plus 24 VDC power. Each output port is current-limited to ~1.8 A.
Power
Power Requirements: 10 to 30 VDC up to 80 W (120 VAC and 240 VAC when using a power supply). The LI-8250 powers the 8200-104/C chambers, the 8250-01 Extension Manifold, and the LI-870 CO2/H2O Analyzer. Other analyzers are powered separately. See Table F‑2 for total system power requirements.
Output Voltage: 12 VDC, 2 A
Alternate Power Input: 21.9 to 26.5 VDC 80 W
Note: The maximum listed for the LI-8250 is a typical maximum. There is no additional warm-up power. Chamber power reaches 4.8 W only when opening or closing, not the entire time of sampling.
Cable and tube assemblies
LI-870 1.2-meter Cable and Tubing assembly (9982-010)
- Length: 1.2 meters
- Total Tube Volume: 19.00 cm3
- Cable Connectors: Sealed power and USB-A-to-USB-B for the LI-870
LI-78xx 1.2-meter Cable and Tubing Assembly (9982-011)
- Length: 1.2 meters
- Total Tube Volume: 19.00 cm3
- Cable Connectors: Sealed RJ-45 network cable for Trace Gas Analyzers
LI-78xx 2-meter Cable and Tubing Assembly (9982-009)
- Length: 2.0 meters
- Total Tube Volume: 31.6 cm3
- Cable Connectors: Sealed RJ-45 network cable for Trace Gas Analyzers
Tube T-split (9982-073)
- Length: 15 cm total added for each flow path through a single leg
- Total Tube Volume: 4.7 cm3
Chamber Cable and Tubing Bundle (9982-056)
- Length: 15 meters
- Total Tube Length: 30 meters
- Total Tube Volume: 237.5 cm3
- Cable Connectors: Sealed power and data cables for 8200-104/C Long-Term Chambers.
8250-01 Extension Manifold
General
Dimensions: 38.5 cm L × 52 cm W × 18.5 cm H
Weight: 7.4 kg
Sample Volume: 27.9 cm3
Weatherproof Rating: Tested to IEC IP55 standard
Operating Range
Temperature: -20 to 45 °C
Humidity: 0 to 95% RH, non-condensing
Plumbing
Flow rate to/from chambers: ~2 to 3 lpm
Pump type: Diaphragm
Communication
LED Indicators: Power, Ready
Input Port Connector: Full-duplex RS-422 communication, 115,200 baud, plus 24 VDC power.
Output Port Connector: Full-duplex RS-422 communication, 115,200 baud, plus 24 VDC power. Each output is current-limited to ~1.1 A. Combined steady state power consumption for all chambers should not exceed 1 A.
Power
Power Requirements: Input voltage range is supplied by LI-8250 Multiplexer. Typical 24V and 1.8A max. See Table F‑3 for 8250-01 power requirements.
Alternate Power Input: 21.9 to 26.5 VDC 80 W
Typical Power Consumption (W) | |||
---|---|---|---|
Instrument | Idle | Sampling/Moving | Max/Warm-up |
8250-01 (each) | 0.8 | 9.2 | 11.0 |
8200-104/C (each) | 0.36 | 4.8 | N/A |
Note: The maximum listed for the 8250-01 is a typical maximum, there is no additional warm-up power. Chamber power reaches 4.8W only when opening or closing, not the entire time of sampling.
8250-02 Calibration Manifold
- Dimensions: 29 cm W × 24.6 cm L × 12.4 cm H
- Weight: 2.9 kg
- Volume Added to Sample Flow Path: 16.9 cm3
- Weatherproof Rating: Tested to IEC IP55 Standard
- Operating Range
- Temperature: 20 to 45 °C
- Humidity: 0 to 95% RH; non-condensing
- Pressure: 50 to 110 kPa
- Flow Rate: 0.3 slpm nominally
- Pump Type: Diaphragm
- Power Consumption: ≤6 W during calibration; ≤0.5 W during standby
- Input Voltage: 10 to 30 VDC (power supplied by the LI-8250)
- Communication: USB to LI-8250
- Connections
- Calibration Gases: 4 inputs for tanks gas; 1/8" copper tubing recommended
- Components: Quick-connect fittings for Trace Gas Analyzers and the LI-8250
Indoor AC-to-DC Power Supply (8250-772)
Dimensions: 14.5 cm L x 6 cm W x 3.2 cm H
Weight: 0.5 kg
Power requirements: 100 to 240 VAC, 1.3 A, 50/60 Hz, 120 VA
Output Voltage: 24 VDC, 3.75 A
Outdoor AC-to-DC Power Supply (8250-770)
Dimensions: 15 cm L × 12.5 cm W × 8.5 cm H
Weight: 1.3 kg
Weatherproof Rating: Tested to IEC IP55 standard
Environmental Operating Conditions: Tested to IP55 for dust and water ingress
Operating Range: -20 to 50 °C
Power Requirements:
Serial number 82P-0364 and earlier: 100 to 240 VAC, 50/60 Hz, 120 VA
Serial number 82P-0365 and later: 100 to 240 VAC; 50/60 Hz, 140 VA
Output Voltage:
Serial number 82P-0364 and earlier: 12 VDC, 6.67 A
Serial number 82P-0365 and later: 12 VDC, 8.0 A
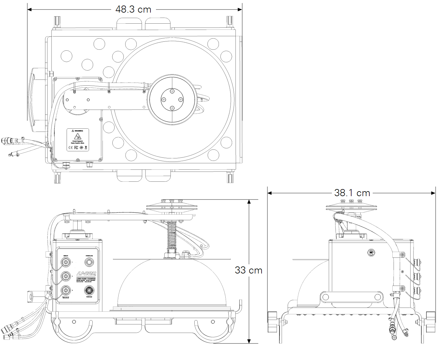
Opaque Long-Term Chamber (8200-104)
Dimensions: 48.3 cm L × 38.1 cm W × 33.0 cm H
Weight: 7.3 kg
Chamber Volume: 4076.1 cm3
Soil Area Exposed: 317.8 cm2
Weatherproof Rating: Tested to IEC IP55 standard
Air Temperature Thermistor
Operating Range: -20 to 50 °C
Accuracy: ±0.3 °C from -20 to 50 °C
Light Sensor Current Input
Range: 0 to 90 µA
Resolution: 1.5 nA
Accuracy: ±(0.37 % of Reading + 8 nA) from -20 to 50 °C
SDI-12 Communications Interface
Maximum Number of Devices: 10
Output Voltage: 12 VDC, 200 mA
Clear Long-Term Chamber (8200-104C)
Dimensions: 48.3 cm L × 38.1 cm W × 33.0 cm H
Weight: 7.3 kg
Chamber Volume: 3876.1 cm3
Soil Area Exposed: 317.8 cm2
Weatherproof Rating: Tested to IEC IP55 standard
Air Temperature Thermistor
Operating Range: -20 to 50 °C
Accuracy: ±0.3 °C from -20 to 50 °C
Light Sensor Current Input
Range: 0 to 90 µA
Resolution: 1.5 nA
Accuracy: ±(0.37 % of Reading + 8 nA) from -20 to 50 °C
SDI-12 Communications Interface
Maximum Number of Devices: 10
Output Voltage: 12 VDC, 200 mA

Automated Canopy Chamber (8200-105/C)
-
Dimensions
-
Closed: 90 cm L × 61 cm W × 45 cm H
-
Open: 90 cm L × 61 cm W × 92 cm H
-
Diameter: 52 cm
-
Chamber Volume: 72,000 cm3 (not including collars or base extensions)
-
Soil Area Exposed: 2100 cm2
-
-
Weight: 17 kg not including collar or base extensions
-
Operating Environment
-
Temperature Range: 0 to 50 °C
-
Humidity Range: 0 to 100% RH non-condensing
-
-
Air/Chamber Temperature Measurement Range: 0 to 50 °C
-
Auxiliary Sensor Ports: 2
-
Light Sensor Current Input
-
Range: 0 to 90 µA
-
Resolution: 1.5 nA
-
Accuracy: ±(0.37 % of Reading + 8 nA) from -20 to 50 °C
-
-
SDI-12 Communications Interface
-
Maximum Number of Devices: 10
-
Output Voltage: 12 VDC, 200 mA
-
-
-
Power
-
Operating Voltage: 24 VDC
-
Operating Power (in motion): <17 W
-
Operating Power (stationary): <1W
-
-
Optional Features
-
Collar Heights: 10 cm; 20 cm
-
Base Extensions: 30 cm; 70 cm
-
Flask Sampling Kit (8250-660)
Power
Power Requirements: Input voltage is supplied by the LI-8250 Multiplexer or the 8250-01 Extension Manifold. When a Purge Pump is configured to an extension manifold, the extension manifold must be connected to a power supply, such as the Indoor Power Supply (8250-772), via the Alternate Power Input. See Table F‑4 for 8250-660 power requirements.
Note: The power requirements for the 9982-077 Purge Pump are based on the pump being configured to run in the user interface. If the pump is not configured to run, it will use no power.
Thermistor
Thermistor Input Module (9982-079)
Operating Range: -20 to 70 °C
Optional Thermistor Assembly (9982-081)
Operating Range: -20 to 70 °C
Accuracy: ±0.3 °C from -20 to 70 °C